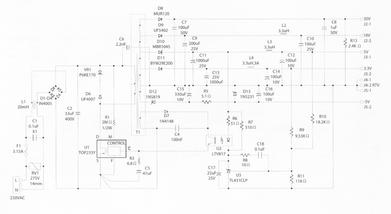
5 Outputs (35W) Switch Mode Power Supply using TOPSWITCH




The following shows a schematic of a 5 ouputs, 35 watts switch mode power supply using TOPSWITCH. This circuit was designed for a cable set-top box. The input is 230Vac for use in many Asian and European countries. The outputs are:

  1. 30 V at 100 mA
  2. 18 V at 550 mA
  3. 5 V at 2.5 A
  4. 3.3 V at 2.5 A
  5. -5 V at 100 mA

This simple design uses TOPSWITCH controller part number TOP233Y. The magnetics are all available from CWS, including the main power transformer, T1. Please contact factory for more details on this 5-output transformer. On the input side, L1 is the 20mH common mode choke. On the output side, the 3.3 uH differential mode output inductors are L2, L3, and L4.