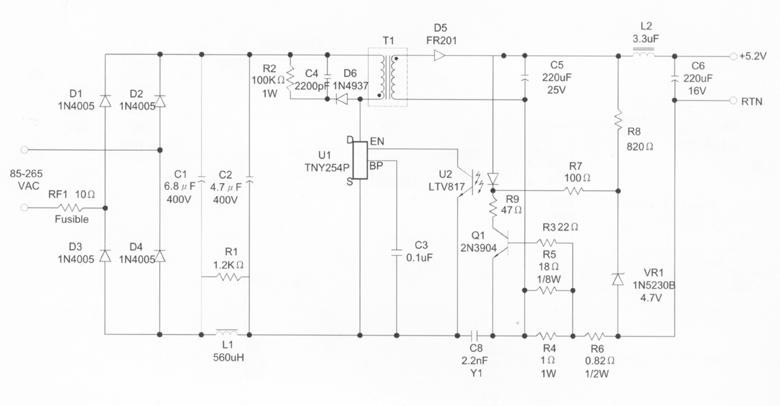
3.6 W Switch Mode Power Supply Using TINYSWITCH




The following is a schematic of 3.6W, 5.2vout switch mode power supply for cell phone charger or adapter application.

The topology used is flyback using the TINYSWITCH controller chip TNY254P. The input is universal AC range ( 85Vac to 265 Vac). This very low cost implementation of a charger power supply circuit can be used to charge cell phone batteries such as Li-on, NiMH, and NiCd.

CWS supplies all the magnetics such as L1 ( 560 uH differential mode choke), L2 ( 3.3uH output inductor) and the main power transformer T1. Part number for T1 is: TN254P26