|
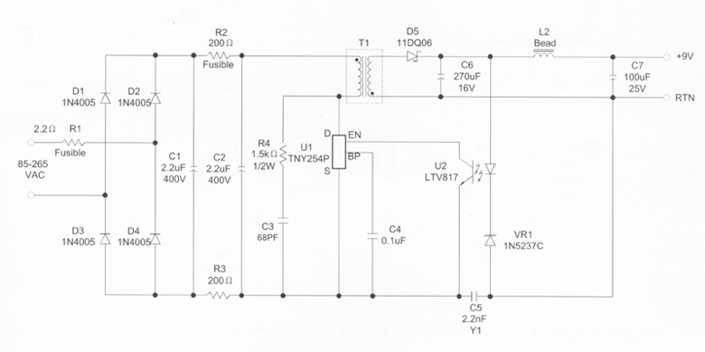
The following
shows a schematic of a 1.5W, 9vout AC adapter. It can deliver
170 mA of current. The circuit uses a flyback topology to generate
a single isolated 9 volt outputs. The input is universal 85 Vac
to 265 Vac. A typical application of this circuit is in wall adapter
and in application requiring very low cost and small size.
This circuit
is designed to replace linear type power supplies with the advantage
of smaller size and higher efficiency at comparable cost.
The TINYSWITCH
used is TNY254P, and the CWS' power transformer used (T1) is TN254P00.
|